Главная Категории Бренды Акции О нас
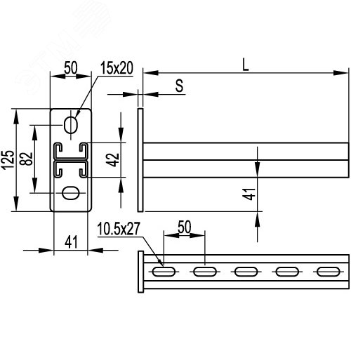
Кронштейн двойной DBM 41х21 мм основание 200 мм

Кронштейн двойной DBM 41х21 мм основание 200 мм

Миниатюра 1
Миниатюра 2
Артикул # BBD2120
Бренд DKC
761 ₽
Мало: 7.00 шт.
⚙️ Характеристики
Высота, мм
125
Длина, мм
200
Дополнительная информация
Непрерывное холодное цинкование
Климатическое исполнение
УХЛ 2
Масса, кг
1.16
Материал изделия
Сталь
Несущая способность/полезная нагрузка, кг
530
Покрытие
Холодное цинкование
Преимущества
Возможно крепление к стене, потолку и в профили|Возможность двустороннего монтажа
Рекомендованный проектный ассортимент
Да
Тип изделия
Кронштейн
Толщина материала изделия
2.5
Цвет
Светло-серый
Ширина, мм
50
Код ТНВЭД
7326909807
📋 Описание товара

Кронштейн двойной DBM 41х21 мм основание 200 мм: характеристики и преимущества

Описание товара:

Наш кронштейн двойного типа DBM с размерами 41х21 мм основания 200 мм — это надежное решение для установки кабельных лотков и оборудования. Он предназначен для использования в системах управления, электрощитовом оборудовании и других технических помещениях.

Характеристики:

  • Материал: оцинкованная сталь методом Сендзимира
  • Размеры основания: 200 мм
  • Размеры кронштейна: 41х21 мм
  • Монтаж: двойной, обеспечивающий дополнительную прочность и надежность
  • Подходит для установки на стены или потолок
  • Прочность крепления: высокая благодаря использованию оцинкованного металла
  • Возможность комбинирования с другими элементами системы кабельных лотков

Преимущества:

  • Надежная фиксация кабельных лотков и оборудования
  • Высокая коррозионная стойкость благодаря оцинковке методом Сендзимира
  • Простота монтажа и установки
  • Поддержка различных типов кабельных систем
  • Гарантированный срок службы благодаря качественному материалу
  • Удобство в обслуживании и ремонте
  • Соответствие стандартам безопасности и качества

Предназначение:

  • Установка кабельных лотков для электропроводки и других систем управления
  • Поддержка оборудования в технических помещениях
  • Создание безопасной и эффективной системы кабеля и коммуникаций
  • Упрощение процесса монтажа и обслуживания электрического оборудования
  • Обеспечение надежности электропроводки в различных условиях эксплуатации

При установке:

  • Убедитесь, что поверхность крепления чиста и гладка для лучшей фиксации
  • Используйте соответствующие инструменты для правильного монтажа
  • Проверьте наличие необходимых крепежных элементов (контактные насадки)
  • Соблюдайте правила техники безопасности при работе с оцинкованными материалами
  • Установите кронштейны на требуемое расстояние друг от друга для обеспечения стабильности системы

Заключение:

  • Кронштейн двойной DBM 41х21 мм основание 200 мм — это отличное решение для профессионального монтажа кабельных лотков и оборудования. Его прочность, надежность и удобство использования делают его идеальным выбором для технических помещений любого назначения.