Главная Категории Бренды Акции О нас
Крепление Т-образное вертикальной двутавровой балке 200 мм горячеоцинкованное

Крепление Т-образное вертикальной двутавровой балке 200 мм горячеоцинкованное

Миниатюра 1
Миниатюра 2
Артикул # BMH3020HDZ
Бренд DKC
1419 ₽
Мало: 8.00 шт.
⚙️ Характеристики
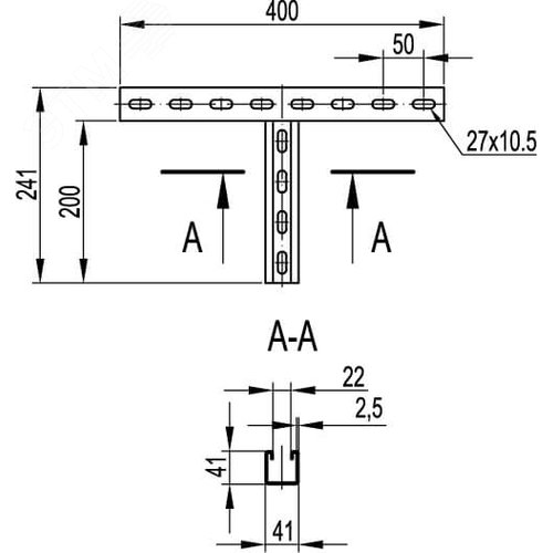
Высота, мм
241
Длина, мм
400
Дополнительная информация
Гальванопокрытие методом горячего погружения
Климатическое исполнение
УХЛ 1,5
Масса, кг
1.61
Материал изделия
Сталь оцинкованная
Покрытие
Горячий цинк
Преимущества
Крепление имеет С-образный профиль|Повышенный срок службы в агрессивных средах и высокой влажности
Рекомендованный проектный ассортимент
Да
Тип изделия
Профиль
Толщина материала изделия
2.5
Цвет
Светло-серый
Ширина, мм
41
Код ТНВЭД
7326909807
📋 Описание товара

Описание крепления Т-образное вертикальной двутавровой балке 200 мм горячеоцинкованного

Крепление T-образное для вертикальных двутавровых балок размером 200 мм, горячеоцинкованное (метод погружения), является неотъемлемой частью системы кабельных лотков и подвесов. Оно предназначено для надежного крепления различных компонентов инфраструктуры, таких как кабели и проводки, в различных типах зданий и сооружений. Давайте рассмотрим его особенности и преимущества более подробно.

Преимущества горячеоцинкованного покрытия:

  • Длительный срок службы благодаря высокой устойчивости к коррозии;
  • Повышенная стойкость к воздействию агрессивных сред, таких как морская вода или солевые брызги;
  • Прекрасное соотношение цены и качества;
  • Гарантия защиты от коррозии даже при длительном эксплуатационном периоде.

Основные характеристики крепления:

  • Размер балки: 200 мм;
  • Тип крепления: T-образное;
  • Метод обработки: горячеоцинковка (метод погружения);
  • Применение: подвесы и крепления для кабельных лотков;
  • Назначение: обеспечение надежной фиксации различных компонентов инфраструктуры.

Особенности конструкции:

  • Крепление позволяет легко монтировать и демонтировать кабельные лотки без использования дополнительного инструмента;
  • Прочный профиль обеспечивает высокую несущую способность, что важно при установке тяжелых кабельных систем;
  • Горизонтальная часть крепления T-образная позволяет легко направлять и фиксировать кабели на вертикальной балке.

Применение:

  • Будильник в системах электропитания;
  • Коммуникации для связи и контроля;
  • Подвеска кабелей при строительстве зданий различного назначения, включая офисные помещения, магазины, складские помещения и т. д.

Установка:

  • Удобство установки обеспечивается за счет простоты использования и отсутствия необходимости в специальном инструменте;
  • Монтирование производится с помощью обычных крепежных элементов, таких как саморезы или болты;
  • При монтаже необходимо учитывать расстояния между креплениями для обеспечения стабильности системы.

Советы по выбору и использованию:

  • Выбор подходящего размера балки важен, чтобы соответствовать требованиям конкретной задачи;
  • При монтаже необходимо учитывать нагрузку на кабельные системы для обеспечения их безопасной эксплуатации;
  • Регулярный осмотр и обслуживание системы креплений необходимы для предотвращения возникновения проблем.

Заключение:

  • Т-образное вертикальное крепление двутавровой балки 200 мм, горячеоцинкованное, является надежным и долговечным решением для установки различных систем инфраструктуры в различных типах зданий.
  • Выбор такого крепления гарантирует безопасность эксплуатации кабельных лотков и продление срока службы всей системы.

Похожие товары

// Скрипт для подгрузки похожих товаров (фоновая загрузка + горизонтальная бесконечная прокрутка)